- Totalt 0,00 kr
LYFTÖGLA FZB LH M8
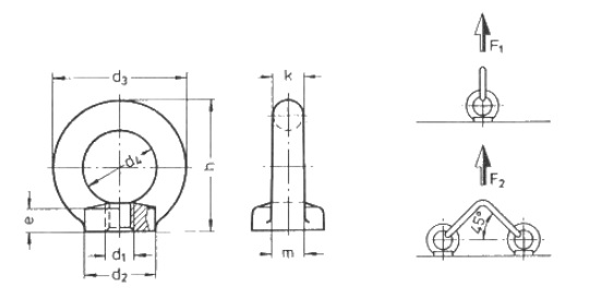
Smidd lyftögla i förzinkat stål (C15E).
Legg til overvåking, så gir vi deg beskjed straks varen er på lager igjen.
LYFTÖGLA FZB LH M8
Smidd lyftögla i förzinkat stål (C15E).
Smidd lyftögla i förzinkat stål (C15E). Bearbetad anliggningsyta.
Maximal last enligt DIN-norm förutsätter korrekt montering.

d1 = M8 ; d2 = 20 ; d3 = 36 ; d4 = 20
e = 8,5 ; h = 36 ; k = 8 ; m = 10
F1 max = 1400 N
F2 max = 1000 N
